問題的提出:
CNCL200型重載齒輪測量中心(如圖1所示),是哈量集團出品具有

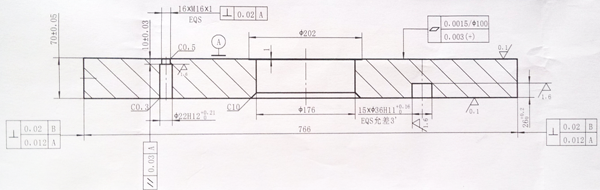
國際領先水平的高精度齒輪檢測量儀。其下承載盤(如圖2所示)是

該量儀重要的零部之一,工件下底面均勻地布滿了導氣節流溝槽(如圖3所示),在高壓氣體的作用下,通過這些導氣節流溝槽迫使下承載盤均勻浮起而實現該盤無摩擦力轉動,從而保證CNCL200型重載齒輪測量中心能進行高精度檢測。因此這些導氣節流溝槽的加工成為了下承載盤(此工件)制造的關鍵工序。

導氣節流溝槽其截型(如圖4所示,放大比例為:500:1),溝槽細

窄加工精度要求極高,還要保證光滑且無毛刺,此工件所使用材料為高強度不銹鋼:9Cr18, 國際牌號:SUS440C。具有高硬度、高耐磨性和耐腐蝕性能,金切性能差,對刀具的切削壽命要求極高。
解決方案一:
根據溝槽其截型制作成形銑刀,但溝槽過于微小,成形銑刀制作極為困難。使用三軸CNC機床沿溝槽路徑進行走刀來實現加工,但溝槽路徑過長,加上被切削材料其本身硬度、耐磨性均較高,此過于細小的刀尖為了實現切削主軸必須高速旋轉,溝槽的切削未能完成多少刀具則已磨損殆盡。此方案顯然極不可取。
解決方案二:
經過一段時間的摸索,我們采取了(如圖5所示)的加工方案。根據

溝槽的截型制作60°角度銑刀,此刀具最大底徑∮15mm,柄部直徑∮8mm,為了提高刀具的切削壽命,其刃部表面作了復合涂層處理。(此刀具由哈量數控刀具公司整體硬質合金刀具車間制作完成)切削時刀具軸線與工件加工基準面呈30°夾角來保證溝槽的截型成形(如上圖所示),加工編程時使用NX_CAM軟件多軸加工策略對刀具驅動點進行刀軌規劃,自動生成加工控制軌跡,并使用VERICUT軟件對加工程序進行離線加工仿真模擬和刀軌優化。其整個工藝技術準備工作過程(如圖6所示)。最終→→



我們使用+GF+(米克朗)Mikron HSM 800U 五軸加工中心來完成下承載盤導氣節流溝槽的全部加工。運用NX_CAM軟件后處理器生成適合驅動機床的加工代碼,輸入到機床控制器,順利地解決完成了上述課題,(如圖7所示)為加工現場實況。


結論:
通過制作較特殊的角度銑刀,從根本上解決了加工過程中刀具的使用壽命問題;運用NX_CAM軟件的五軸加工策略和高速加工工藝(HSM)原理,精確地計算生成出控制刀軌,從而有效地保證了下承載盤導氣節流溝槽的加工精度和加工效率;整個加工過程一氣呵成,穩定安全可靠,毫無懸念。
版權所有:吉林愛探索教育文化科技有限公司 吉ICP備2021001574號